

D941X-10電動法蘭軟密封蝶閥
D941X-10電動法蘭軟密封蝶閥適用于介質為水、海水的管路的 泵出口位置,作為閉路閥兼有止回閥的特性,用以避免和減少管路系統中介質的倒流和水錘沖擊,保護管路.對于電廠、水廠等工作電源十分可靠的場合尤其適用。
訂購熱線:021-31007323
一、D941X-10電動法蘭軟密封蝶閥簡介:
D941X-10電動法蘭軟密封蝶閥作為新一代調速型蝶閥,本閥從設計思路上改變了傳統的靠機械變速來完成蝶板開關速度變化的模式,根據蝶板不同位置的動作特點,從電動驅動控制上進行了全新的設計。電動蝶閥采取改電動裝置輸入電流的頻率,進而調整電動裝置的轉動速度和輸出力矩,以達到控制蝶板開工關速度,實現蝶板快關、慢關兩階段關閉或慢開、快開兩階段開啟的目的。與液控蝶閥具有同樣的功能。D941X-10電動法蘭軟密封蝶閥適用于介質為水、海水的管路的 泵出口位置,作為閉路閥兼有止回閥的特性,用以避免和減少管路系統中介質的倒流和水錘沖擊,保護管路.對于電廠、水廠等工作電源十分可靠的場合尤其適用。二、D941X-10電動法蘭軟密封蝶閥的特點:
1、 電動啟閉,具有任意調整、止回和截止功能。操作方便,安全可靠。2、本閥可連續實現慢開、快開或快關、慢關的動作,并有效的防止了泵出口介質倒流和水錘的產生。
3、節能驅動,與普通蝶閥同樣的驅動電機即可實現快關段高速小轉矩和慢關低段大轉矩的功能。
4、安裝在泵出口時,本蝶閥同時具有止回閥和閘閥的共同功能,因此可以一閥代兩閥,節約安裝空間,節省管網造價。
5、流阻小。本閥全開時流阻系數不超過0.3,因此可以節約能源,降低管路的運行費用。
6、 當發生事故或停電時,可以通過手動操作控制蝶閥啟閉。
三、D941X-10電動法蘭軟密封蝶閥產品實拍:
![]() |
![]() |
四、D941X-10電動法蘭軟密封蝶閥采用標準:
制造標準 | GB/T12238-1989;lS0 10631-1994;BS EN593-1998 |
法蘭標準 | GB/T17241.6-1998:IS0 7005-2;BSEN 1092-2002 |
結構長度標準 | GB/T1 2221-1989:lS0 5752-1988;BS EN558-1 |
檢驗標準 | GB/T13927-1992;JB/T9092-1999;S0 5028-1993;BS 6755-l-1986 |
五、D941X-10電動法蘭軟密封蝶閥主要技術參數:
公稱通徑 | DN( mm ) | 50~2000 | ||
公稱壓力 | PNMPa | 0.6 | 1.0 | 1.6 |
試驗壓力 PsMPa | 強度試驗 | 0.9 | 1.5 | 2.4 |
密封試驗 | 0.66 | 1.1 | 1.76 | |
適用介質 | 空氣、水、污水、蒸氣、煤氣、油品等 | |||
驅動形式 | 手動、蝸輪傳動、氣傳動、電傳動 |
六、D941X-10電動法蘭軟密封蝶閥電動執行器解析:



七、D941X-10電動法蘭軟密封蝶閥主要零件的材料:



零件名稱 | 材料 |
閥體 | 球墨鑄鐵、鑄鋼、合金鋼、不銹鋼 |
蝶板 | 灰鑄鐵、球墨鑄鋼、鑄鋼、不銹鋼及特殊材料 |
密封圈 | 各種橡膠、聚四氟乙烯 |
閥桿 | 2Cr13、不銹鋼 |
填料 | 0型圈、柔性石墨 |
八、D941X-10電動法蘭軟密封蝶閥密封材料:
材料品種 | 氯丁橡膠 | 丁腈橡膠 | 乙丙橡膠 | 聚四氟乙烯 | 硅橡膠 | 氟橡膠 |
代號 | ×或 0rJ | XA或orJA | XB或orJB | xC、JC或0rF | XD或orJD | × E或orJE |
耐高溫度 | 82℃ | 93℃ | 150℃ | 232℃ | 250℃ | 204℃ |
耐低溫度 | -40℃ | -40℃ | -40℃ | -268℃ | -70℃ | -23℃ |
適用工作溫度 | ≤65℃ | ≤80℃ | ≤120℃ | ≤200℃ | ≤200℃ | ≤180℃ |
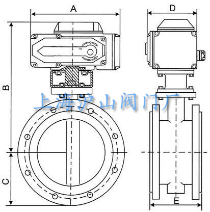
九、D941X-10電動法蘭軟密封蝶閥連接尺寸:
![]() |
公稱通徑 | 結構長度(標準值) | 外形尺寸(參考值) | 連接尺寸(標準值) | |||||||||||||||
0.6MPa | 1.0 MPa | 1.6 MPa | ||||||||||||||||
mm | inch | L | H | Ho | A | B | D | D1 | D2 | n-d | D | D1 | D2 | n-d | D | D1 | D2 | n-d |
50 | 2 | 108 | 82.5 | 443 | 125 | 125 | 140 | 110 | 88 | 4-14 | 165 | 125 | 99 | 4-18 | 165 | 125 | 99 | 4-18 |
65 | 21/ | 112 | 92.5 | 463 | 125 | 125 | 160 | 130 | 108 | 4-14 | 185 | 145 | 118 | 4-18 | 185 | 145 | 118 | 4-18 |
80 | 3 | 114 | 100 | 483 | 125 | 125 | 190 | 150 | 124 | 4-18 | 200 | 160 | 132 | 8-18 | 200 | 160 | 132 | 8-18 |
100 | 4 | 127 | 110 | 498 | 125 | 125 | 210 | 170 | 144 | 4-18 | 220 | 180 | 156 | 8-18 | 220 | 180 | 156 | 8-18 |
125 | 5 | 140 | 125 | 682 | 325 | 245 | 240 | 200 | 174 | 8-18 | 250 | 210 | 184 | 8-18 | 250 | 210 | 184 | 8-18 |
150 | 6 | 140 | 142.5 | 736 | 325 | 245 | 265 | 225 | 199 | 8-18 | 285 | 240 | 211 | 8-22 | 285 | 240 | 211 | 8-22 |
200 | 8 | 152 | 170 | 800 | 325 | 245 | 320 | 280 | 254 | 8-18 | 340 | 295 | 266 | 8-22 | 340 | 295 | 266 | 12-22 |
250 | 10 | 165 | 197.5 | 895 | 363 | 313 | 375 | 335 | 309 | 12-18 | 395 | 350 | 319 | 12-22 | 405 | 355 | 319 | 12-26 |
300 | 12 | 178 | 222.5 | 956 | 363 | 313 | 440 | 395 | 363 | 12-22 | 445 | 400 | 370 | 12-22 | 460 | 410 | 370 | 12-26 |
350 | 14 | 190 | 252.5 | 1029 | 363 | 313 | 490 | 445 | 413 | 12-22 | 505 | 460 | 429 | 16-22 | 520 | 470 | 429 | 16-26 |
400 | 16 | 216 | 282.5 | 1103 | 363 | 313 | 540 | 495 | 463 | 16-22 | 565 | 515 | 480 | 16-26 | 580 | 525 | 480 | 16-30 |
450 | 18 | 222 | 307.5 | 1186 | 465 | 439 | 595 | 550 | 518 | 16-22 | 615 | 565 | 530 | 20-26 | 640 | 585 | 548 | 20-30 |
500 | 20 | 229 | 335 | 1280 | 546 | 431 | 645 | 600 | 568 | 20-22 | 670 | 620 | 582 | 20-26 | 715 | 650 | 609 | 20-33 |
600 | 24 | 267 | 390 | 1321 | 546 | 556 | 755 | 705 | 667 | 20-26 | 780 | 725 | 682 | 20-30 | 840 | 770 | 720 | 20-36 |
700 | 28 | 430 | 447.5 | 1431 | 546 | 556 | 860 | 810 | 772 | 24-26 | 895 | 840 | 794 | 24-30 | 910 | 840 | 794 | 24-36 |
800 | 32 | 470 | 507.5 | 1542 | 546 | 556 | 975 | 920 | 878 | 24-30 | 1015 | 950 | 901 | 24-33 | 1025 | 950 | 901 | 24-39 |
900 | 36 | 510 | 557.5 | 1800 | 617 | 706 | 1075 | 1020 | 978 | 24-30 | 1115 | 1050 | 1001 | 28-33 | 1125 | 1050 | 1001 | 28-39 |
1000 | 40 | 550 | 615 | 2363 | 632 | 706 | 1175 | 1120 | 1078 | 28-30 | 1230 | 1160 | 1112 | 28-36 | 1255 | 1170 | 1112 | 28-42 |
1200 | 48 | 630 | 727.5 | 2583 | 632 | 706 | 1405 | 1340 | 1295 | 32-33 | 1455 | 1380 | 1328 | 32-39 | 1485 | 1390 | 1328 | 32-48 |
1400 | 56 | 710 | 837.5 | 2710 | 790 | 1338 | 1630 | 1560 | 1510 | 36-36 | 1675 | 1590 | 1530 | 36-42 | 1685 | 1590 | 1530 | 36-48 |
1600 | 64 | 790 | 957.5 | 2845 | 868 | 1476 | 1830 | 1760 | 1710 | 40-36 | 1915 | 1820 | 1750 | 40-48 | 1930 | 1820 | 1750 | 40-56 |
1800 | 72 | 870 | 1057 | 3060 | 868 | 1476 | 2045 | 1970 | 1918 | 44-39 | 2115 | 2020 | 1950 | 44-18 | 2130 | 2020 | 1950 | 44-56 |
2000 | 80 | 950 | 1162.5 | 3350 | 965 | 1600 | 2265 | 2180 | 2125 | 48-42 | 2325 | 2230 | 2150 | 48-48 | 2345 | 2230 | 2150 | 48-62 |
相關資訊
- [2018-08-28]滬山閥門電動蝶閥D971X-16Q、D971X
- [2018-08-28]氣動蝶閥D671X-16Q、D671F-16P
- [2018-08-28]滬山閥門氣動蝶閥D671X-16C優勢展示
- [2018-08-22]滬山閥門電動球閥Q941F-16P優勢展示
- [2018-08-22]滬山閥門氣動球閥Q641F-16P優勢展示
- [2018-08-06]給排水管道安裝常見閥門選擇及各閥門優缺點
- [2018-08-21]SCZ673W-10P-DN300氣動穿透式刀
- [2018-08-06]隔膜閥的原理
- [2018-08-06]Q641N-64P氣動帶定位器高壓球閥發貨及安
產品中心Products center

021-31007323
聯系我們

電動閥門,氣動閥門,調節閥,自力式閥門
電話:021-31007323