

Q941F-16P電動法蘭球閥
一、Q941F電動法蘭球閥概述:
Q941F電動法蘭球閥采用一體化結構,有輸入控制信號(4~20mA DC或1~5V DC)及單相電源即可控制運轉,具有功能強、體積小、輕便宜人、性能可靠、配套簡單、流通能力,特別適合于介質是粘稠,含顆粒,纖維性質的場合。目前該閥廣泛應用于食品、環保、輕工、石油、造紙、化工教學和科研設備、電力等行業的工業自動控制系統中。
Q941F電動法蘭球閥適用于兩位切斷、調節的場合。電動開關型球閥閥與執行機構的連接采用直連方式,電動執行機構內置伺服系統,無須另配伺服放大器,輸入4-20mA信號及220VAC電源即可控制運轉。具有連線簡單,結構緊湊、尺寸小、重量輕、阻力小、動作穩定可靠等優點。
二、Q941F電動法蘭球閥工作原理:
Q941F電動法蘭球閥以DC24V、AC220V或AC380V電源電壓作動力,直接接受統一標準信號(4-20mA DC、0-10mA DC或1-5V DC、0-10V DC),將此轉變成與輸入信號相對應的位移,以角度位移(0~90?)運動,改變球芯的旋轉開度,因此一定的輸入信號對應一定的位置開度,實現比例調節動作。(二位開關式接受DC24V、AC220V或AC380V電源電壓作動力,通過電機正反轉實現開關動作,并同時輸出開關閥位指示信號)。
三、Q941F電動法蘭球閥產品實拍:
![]() |
![]() |
四、Q941F電動法蘭球閥產品特點:
1、安裝簡便,能以任意方向安裝于管道中的任意部位。
2、精小型電動執行器有多種電源可供選擇,更有防爆電裝。
3、閥體內通道平整光滑,可以輸送粘性流體、漿液以及固體顆粒。
4、直連方式,電動執行機構內置伺服系統,無須另配伺服放大器。
5、球閥和電動執行器之間無支架連接,一體化的外型結構緊湊,減少設備空間。
6、密封材料為聚四氟乙烯等,具有良好的自潤滑性,與球體的摩擦損小,故球閥的使用壽命長。
五、Q941F電動法蘭球閥主要技術參數:
1、閥體
閥體形式 | 直通鑄造閥 |
公稱通徑 | DN15~300mm |
公稱壓力 | PN1.6、2.5、4.0、6.4 MPa;ANSI 150、300LB ;JIS 10、20、30K |
法蘭標準 | JIS、ANSI、GB、JB、HG等 |
連接形式 | 法蘭式、焊接式、螺紋式 |
閥蓋形式 | 一體式 |
壓蓋型式 | 壓板壓緊式 |
密封填料 | V型聚四氟乙烯填料、柔性石墨填料等 |
2、閥內件
閥芯形式 | O型球體閥芯 |
流量特性 | 近似快開型 |
3、執行機構
執行器型號 | DSR、3810R、DZW、HQ、PSQ |
主要技術參數 | 電源電壓:220V/50Hz、380V/50Hz、輸入信號:4-20mA或1-5V·DC、輸出信號:4-20mA·DC |
防護等級:相當IP65(或IP67)、隔爆標志:ExdⅡBT4、手操功能:手柄 | |
環境溫度:-25~+70℃、環境濕度:≤95% |
六、Q941F電動法蘭球閥執行器剖析:
七、Q941F電動法蘭球閥主要性能指標:
公稱通徑 DN(mm) | 15 | 20 | 25 | 32 | 40 | 50 | 65 | 80 | 100 | 125 | 150 | 200 | 250 | 300 |
額定流量系數KV | 21 | 38 | 72 | 112 | 170 | 273 | 384 | 512 | 940 | 1452 | 2222 | 3589 | 5128 | 7359 |
允許壓差(MPa) | ≤公稱壓力 | |||||||||||||
動作范圍 | 0~90°、0~360° | |||||||||||||
泄露量Q | 按GB/T4213-92,小于額定KV0.01% | |||||||||||||
基本誤差 | ±1% | |||||||||||||
回差 | ±1% | |||||||||||||
死區 | ≤1% | |||||||||||||
可調范圍 | 250:1 | 350:1 |
八、Q941F電動法蘭球閥主要零件材料:
1 | 左閥體 | WCB、CF8、CF8M、CF3M |
![]() |
2 | 右閥體 | WCB、CF8、CF8M、CF3M | |
3 | 閥座 | PEFE、PPL、304、316 | |
4 | 球體 | 2Cr13、304、316 | |
5 | 閥桿 | 2Cr13、304、316 | |
6 | 密封填料 | PTFE/柔性石墨 | |
7 | 填料壓蓋 | WCB、CF8、CF8M、CF3M |
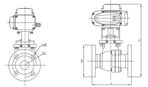
九、Q941F電動法蘭球閥主要外形及連接尺寸:
公稱通徑 DN(mm) | 15 | 20 | 25 | 32 | 40 | 50 | 65 | 80 | 100 | 125 | 150 | 200 | 250 | 300 |
L | 130 | 140 | 150 | 165 | 180 | 200 | 220 | 250 | 280 | 320 | 360 | 400 | 630 | 750 |
H | 44.5 | 49 | 55 | 65 | 65 | 75 | 90 | 95 | 115 | 127 | 140 | 172.5 | 310 | 350 |
H1 | 根據所配執行機構而定 | |||||||||||||
D | 95 | 105 | 115 | 140 | 150 | 165 | 185 | 200 | 220 | 250 | 285 | 340 | 405 | 460 |
D1 | 65 | 75 | 85 | 100 | 110 | 125 | 145 | 160 | 180 | 210 | 240 | 295 | 355 | 410 |
D2 | 46 | 56 | 65 | 76 | 84 | 99 | 118 | 132 | 156 | 184 | 211 | 266 | 319 | 370 |
n-φd | 4-14 | 4-14 | 4-14 | 4-18 | 4-18 | 4-18 | 4-18 | 8-18 | 8-18 | 8-18 | 8-22 | 12-22 | 12-26 | 12-26 |
A、A1 | 根據閥門所需力矩而定,配置機型不同,外形尺寸也不相同 |
注:以上參數均以國標PN1.6MPa為準,其他壓力等級請咨詢我司技術部,表中尺寸為不帶標準附件數據,另由于產品改進技術創新參數可能有一定變化,請咨詢我司技術部門索取新數據。
相關資訊
- [2018-08-28]滬山閥門電動蝶閥D971X-16Q、D971X
- [2018-08-28]氣動蝶閥D671X-16Q、D671F-16P
- [2018-08-28]滬山閥門氣動蝶閥D671X-16C優勢展示
- [2018-08-22]滬山閥門電動球閥Q941F-16P優勢展示
- [2018-08-22]滬山閥門氣動球閥Q641F-16P優勢展示
- [2018-08-06]給排水管道安裝常見閥門選擇及各閥門優缺點
- [2018-08-21]SCZ673W-10P-DN300氣動穿透式刀
- [2018-08-06]隔膜閥的原理
- [2018-08-06]Q641N-64P氣動帶定位器高壓球閥發貨及安
產品中心Products center


電動閥門,氣動閥門,調節閥,自力式閥門
電話:021-31007323