

D643H-16C氣動法蘭式金屬硬密封蝶閥
D643H-16C氣動法蘭式金屬硬密封蝶閥由角行程氣動執行器及三偏心蝶閥閥體組成,采用三維偏心原理設計,使密封面的空間運動軌跡達到理想化,密封面相互之間無磨擦、無干涉、加之密封材料選擇得當,從而使蝶閥的密封性、耐腐蝕性、耐高溫性和耐磨性等得到了可靠的保證。
訂購熱線:021-31007323
一、D643H氣動法蘭式金屬硬密封蝶閥介紹:
D643H氣動法蘭式金屬硬密封蝶閥由角行程氣動執行器及三偏心蝶閥閥體組成,采用三維偏心原理設計,使密封面的空間運動軌跡達到理想化,密封面相互之間無磨擦、無干涉、加之密封材料選擇得當,從而使蝶閥的密封性、耐腐蝕性、耐高溫性和耐磨性等得到了可靠的保證。D643H氣動法蘭式金屬硬密封蝶閥閥桿軸線與蝶板密封面間偏置,并與閥體通道軸線偏置,閥座回轉軸線與閥體通道軸線形成一個偏心角,故形成三偏心。蝶閥從0°~90°開啟時,蝶板密封面會在開啟的瞬間立即脫離閥座密封面,在其90°~0°關閉時,蝶板圓錐形密封面才會接觸并壓緊閥座圓錐形密封。所以閥座與蝶板上的密封面之間無任何摩擦,去除了磨損和泄漏的可能性。二、D643H氣動法蘭式金屬硬密封蝶閥產品特點:
1、本閥采用三偏心密封結構,閥座與蝶板幾乎無磨損,具有越觀越緊的密封功能。2、密封圈選用不銹鋼制作,具有金屬硬密封和彈性密封的雙重優點,無論在低溫和高溫的情況下,均具有優良的密封性能,具有耐腐蝕,使用壽命長等特點。
3、碟板密封面采用堆焊鈷基硬質合金,密封面耐磨損,使用壽命長.
4、大規格蝶板采用絎架結構,強度高,過流面積大,流阻小。
5、本閥具有雙向密封功能,安裝時不受介質流向的限制,也不受空間位置的影響,可在任何方向安裝。
6、驅動裝置可以多工位(旋轉90°或180°)安裝,便于用戶使用。
1、雙作用氣缸的工作原理:
2、單作用氣缸的工作原理:
三、D643H氣動法蘭式金屬硬密封蝶閥產品實拍:
![]() |
![]() |
附:氣動閥門附件的運用:



四、D643H氣動法蘭式金屬硬密封蝶閥主要技術參數:
附:氣動閥門附件的運用:
![]() |
![]() |
![]() |
![]() |
公稱通徑DN(mm) | 50~2000 | |||
公稱壓力PN(MPa) | 0.6 | 1.0 | 1.6 | 2.5 |
密封試驗(MPa) | 0.66 | 1.1 | 1.76 | 2.75 |
強度試驗(MPa) | 0.9 | 1.5 | 2.4 | 3.75 |
適用溫度 | 碳鋼:-29℃~425℃ 不銹鋼:-40℃~650℃ | |||
適用介質 | 水、空氣、天然氣、油品及弱腐蝕性流體 | |||
泄漏率 | 符合GB/T13927-92標準 | |||
驅動方式 | 蝸輪傳動、電動、氣動、液動 |
五、D643H氣動法蘭式金屬硬密封蝶閥主要零部件材料:
零件名稱 | 材料 |
閥體 | WCB、合金鋼、不銹鋼、QT450-10 |
蝶板 | WCB、合金鋼、不銹鋼、QT450-10 |
閥軸 | 2Cr13不銹鋼、合金鋼 |
密封圈 | 不銹鋼圈 |
填料 | 柔性石墨 |
六、D643H氣動法蘭式金屬硬密封蝶閥執行標準:
制造標準 | JB/T 8527-97 |
法蘭標準 | GB9113-2000 |
結構長度標準 | GB12221-89 |
檢驗標準 | GB/T 13927-92 |
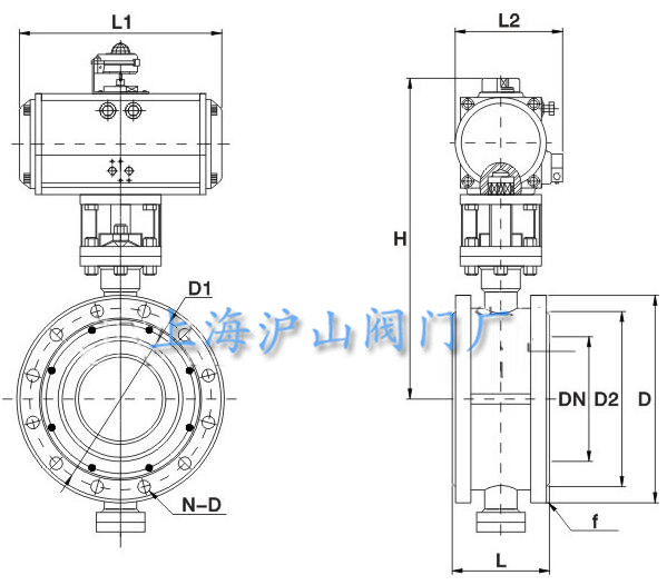
七、D643H氣動法蘭式金屬硬密封蝶閥主要外形連接尺寸(單位:mm)
公稱通經(DN) | 主要尺寸 | 法蘭尺寸和螺栓規格 | ||||||||||
1.0MPa | 1.6MPa | 2.5MPa | ||||||||||
L | H1 | H | D | D1 | n-Фd | D | D1 | n-Фd | D | D1 | n-Фd | |
50 | 108 | 350 | 112 | 165 | 125 | 4-18 | 165 | 125 | 4-18 | 165 | 125 | 4-18 |
65 | 112 | 370 | 115 | 185 | 145 | 4-18 | 185 | 145 | 4-18 | 185 | 145 | 8-18 |
80 | 114 | 380 | 120 | 200 | 160 | 4-18 | 200 | 160 | 8-18 | 200 | 160 | 8-18 |
100 | 127 | 420 | 138 | 220 | 180 | 8-18 | 220 | 180 | 8-18 | 235 | 190 | 8-22 |
125 | 140 | 460 | 164 | 250 | 210 | 8-18 | 250 | 210 | 8-18 | 270 | 220 | 8-26 |
150 | 140 | 555 | 175 | 285 | 240 | 8-22 | 285 | 240 | 8-22 | 300 | 250 | 8-26 |
200 | 152 | 760 | 200 | 340 | 295 | 8-22 | 340 | 295 | 12-22 | 360 | 310 | 12-26 |
250 | 165 | 830 | 243 | 395 | 350 | 12-22 | 405 | 355 | 12-26 | 425 | 370 | 12-30 |
300 | 178 | 895 | 250 | 445 | 400 | 12-22 | 460 | 410 | 12-26 | 485 | 430 | 16-30 |
350 | 190 | 950 | 280 | 505 | 460 | 16-22 | 520 | 470 | 12-26 | 555 | 490 | 16-33 |
400 | 216 | 1190 | 305 | 565 | 515 | 16-26 | 580 | 525 | 16-26 | 620 | 550 | 16-36 |
450 | 222 | 1255 | 350 | 615 | 565 | 20-26 | 640 | 585 | 16-30 | 670 | 600 | 20-36 |
500 | 229 | 1305 | 380 | 670 | 620 | 20-26 | 715 | 650 | 20-30 | 730 | 660 | 20-36 |
600 | 267 | 1340 | 445 | 780 | 725 | 20-30 | 840 | 770 | 20-33 | 845 | 770 | 20-39 |
700 | 292 | 1520 | 480 | 895 | 840 | 24-30 | 910 | 840 | 24-36 | 960 | 875 | 24-42 |
800 | 318 | 1710 | 530 | 1015 | 950 | 24-33 | 1025 | 950 | 24-39 | 1085 | 990 | 24-48 |
900 | 330 | 1810 | 580 | 1115 | 1050 | 28-33 | 1125 | 1050 | 28-39 | 1185 | 1090 | 28-48 |
1000 | 410 | 1960 | 650 | 1230 | 1160 | 28-36 | 1255 | 1170 | 28-42 | 1320 | 1210 | 28-56 |
1200 | 470 | 2250 | 760 | 1455 | 1380 | 32-39 | 1485 | 1390 | 32-48 | 1530 | 1420 | 32-56 |
相關資訊
- [2018-08-28]滬山閥門電動蝶閥D971X-16Q、D971X
- [2018-08-28]氣動蝶閥D671X-16Q、D671F-16P
- [2018-08-28]滬山閥門氣動蝶閥D671X-16C優勢展示
- [2018-08-22]滬山閥門電動球閥Q941F-16P優勢展示
- [2018-08-22]滬山閥門氣動球閥Q641F-16P優勢展示
- [2018-08-06]給排水管道安裝常見閥門選擇及各閥門優缺點
- [2018-08-21]SCZ673W-10P-DN300氣動穿透式刀
- [2018-08-06]隔膜閥的原理
- [2018-08-06]Q641N-64P氣動帶定位器高壓球閥發貨及安
產品中心Products center

021-31007323
聯系我們

電動閥門,氣動閥門,調節閥,自力式閥門
電話:021-31007323