

Q641TC-16C氣動陶瓷球閥
Q641TC-16C氣動陶瓷球閥具有優良的耐磨損、耐酸堿、耐腐蝕、高強度、高韌性、耐高溫以及防磁性的特點,使其能在特別惡劣的環境中使用,能不污染物料和環境;在管道系列制品可代替不銹鋼合金、硬質合金等其他金屬制品,并使之成為更優良之制品。
訂購熱線:021-31007323
一、Q641TC-16C氣動陶瓷球閥簡介:
Q641TC-16C氣動陶瓷球閥具有優良的耐磨損、耐酸堿、耐腐蝕、高強度、高韌性、耐高溫以及防磁性的特點,使其能在特別惡劣的環境中使用,能不污染物料和環境;在管道系列制品可代替不銹鋼合金、硬質合金等其他金屬制品,并使之成為更優良之制品。原有金屬或塑膠制閥球、閥座易磨損及受熱漲冷縮的影響而不易關閥,不能有效正常使用,故使用壽命 短;本新式產品,其閥球及閥座系采用結構陶瓷制品,其精缺度和耐磨性不受冷熱膨脹系數影響,在惡劣環境中或流體之下,更具有良好的操作性以及更長的使用壽命。二、Q641TC-16C氣動陶瓷球閥主要特點:
1、所有與介質接觸的部分均為結構陶瓷材料,其化學穩定性及硬度極高(洛氏硬度HRC90),僅次于金剛石。因此,本閥具有極高的耐磨損、耐腐蝕、耐沖蝕性能,且隔熱性好、熱膨脹小。2、球體采用先進研磨設備及工藝制造,球圓度精度高,表面質量好,與閥座對研后,利用Zr02陶瓷的自滑潤,徹底改變了金屬硬密封球閥易泄露、扭矩大、密封面不耐腐蝕的缺點。
3、陶瓷良好的耐磨性,讓本閥經久耐用,可靠性極高.使用壽命長,是鈦合金閥和蒙乃爾閥的2-4倍。
4、用于高硬度的顆粒介質,或有軟顆粒但又有腐蝕的介質中,本閥門具有無可比擬的絕對優勢。
1)雙作用氣缸的工作原理:
2)單作用氣缸的工作原理:
三、Q641TC-16C氣動陶瓷球閥產品實拍:
![]() |
![]() |
附:氣動閥門附件的運用:



附:氣動閥門附件的運用:
![]() |
![]() |
![]() |
![]() |
四、Q641TC-16C氣動陶瓷球閥技術參數:
公稱通徑DN | DN15-300 |
公稱壓力(MPa) | PN1.0~2.5 |
允許壓差(MPa) | ≤公稱壓力 |
閥體形式 | 二通式 |
連接形式 | 法蘭 |
閥芯形式 | O型球閥閥芯 |
適用溫度 | ≤200℃ |
流量特性 | 近似快開型 |
動作范圍 | 0~90° |
泄漏量Q | 軟密封VI級、硬密封IV級符合ANSI B16.104標準 |
配置執行機構 | GT、AT、ST、SR、AW等系列氣動執行機構 |
控制方式 | 開關型(開關2位控制) 調節型(4-20mA控制) |
五、Q641TC-16C氣動陶瓷球閥制造標準:
標準名稱 | 標準 |
設計與制造 | GB/T 12224 |
結構長度 | GB/T 12221 |
連接法蘭 | GB/T 9113 |
檢驗與實驗 | GB/T 9092 |
六、Q641TC-16C氣動陶瓷球閥執行器參數:
執行器型號 | GT、AT、ST、SR、AW等系列氣動執行機構 |
供氣壓力 | 0.4MPa~0.7MPa |
氣源接口 | G1/4″、G1/8″、G3/8″、G1/2″ |
環境溫度 | ﹣20℃~﹢70℃ |
作用形式 |
單作用執行機構:氣關式(B)-失氣時閥位開(FO);氣開式(K)-失氣時閥位關(FC) 雙作用執行機構:氣關式(B)-失氣時閥位保持(FL);氣開式(K)-失氣時閥位保持(FL) |
可配附件 | 定位器、電磁閥、空氣過濾器、保衛閥、行程開關、閥位傳送器、手輪機構等 |
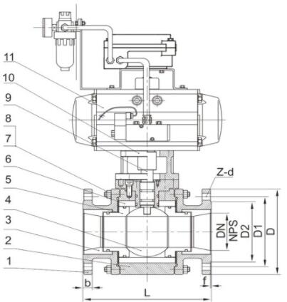
七、Q641TC-16C氣動陶瓷球閥主要零部件材料:
序號No. | 名稱 | 材料 | 序號No. | 名稱 | 材料 |
1 | 閥蓋 | A105/SS304 | 7 | 螺柱 | A193-B7/B8 |
2 | 中閥體 | A105/SS304 | 8 | 螺母 | A194-2H/B8 |
3 | 接管 | 高強度結構陶瓷 | 9 | 閥桿 | SS316/SS316L |
4 | 球體 | 高強度結構陶瓷 | 10 | 支架(電、氣動) | Q235/SS304 |
5 | 閥座 | 高強度結構陶瓷 | 填料函(手動) | Q235/SS304 | |
6 | 中體 | 高強度結構陶瓷 | 11 | 驅動裝置 | 組件 |
八、Q641TC-16C氣動陶瓷球閥外形尺寸:

DN | L | PN10(1.0MPa) | PN16(1.6MPa) | ||||||||||
D | D1 | D2 | b | f | Z-d | D | D1 | D2 | b | f | Z-d | ||
15 | 130 | 95 | 65 | 45 | 16 | 2 | 4-Ф14 | 95 | 65 | 45 | 16 | 2 | 4-Ф14 |
20 | 130 | 105 | 75 | 58 | 18 | 2 | 4-Ф14 | 105 | 75 | 58 | 18 | 2 | 4-Ф14 |
25 | 140 | 115 | 85 | 68 | 18 | 2 | 4-Ф14 | 115 | 85 | 68 | 18 | 2 | 4-Ф14 |
32 | 165 | 140 | 100 | 78 | 18 | 2 | 4-Ф18 | 140 | 100 | 78 | 18 | 2 | 4-Ф18 |
40 | 165 | 150 | 110 | 88 | 18 | 3 | 4-Ф18 | 150 | 110 | 88 | 18 | 3 | 4-Ф18 |
50 | 203 | 165 | 125 | 102 | 18 | 3 | 4-Ф18 | 165 | 125 | 102 | 18 | 3 | 4-Ф18 |
65 | 220 | 185 | 145 | 122 | 18 | 3 | 4-Ф18 | 185 | 145 | 122 | 18 | 3 | 4-Ф18 |
80 | 241 | 200 | 160 | 138 | 20 | 3 | 8-Ф18 | 200 | 160 | 138 | 20 | 3 | 8-Ф18 |
100 | 305 | 220 | 180 | 158 | 20 | 3 | 8-Ф18 | 220 | 180 | 158 | 20 | 3 | 8-Ф18 |
125 | 356 | 250 | 210 | 188 | 22 | 3 | 8-Ф18 | 250 | 210 | 188 | 22 | 3 | 8-Ф18 |
150 | 394 | 285 | 240 | 212 | 22 | 3 | 8-Ф22 | 285 | 240 | 212 | 22 | 3 | 8-Ф22 |
200 | 457 | 340 | 295 | 268 | 24 | 3 | 8-Ф22 | 340 | 295 | 268 | 24 | 4 | 12-Ф22 |
250 | 533 | 395 | 350 | 320 | 26 | 3 | 12-Ф22 | 405 | 355 | 320 | 26 | 4 | 12-Ф26 |
300 | 610 | 445 | 400 | 375 | 26 | 4 | 12-Ф22 | 460 | 410 | 375 | 28 | 4 | 12-Ф26 |
相關資訊
- [2018-08-28]滬山閥門電動蝶閥D971X-16Q、D971X
- [2018-08-28]氣動蝶閥D671X-16Q、D671F-16P
- [2018-08-28]滬山閥門氣動蝶閥D671X-16C優勢展示
- [2018-08-22]滬山閥門電動球閥Q941F-16P優勢展示
- [2018-08-22]滬山閥門氣動球閥Q641F-16P優勢展示
- [2018-08-06]給排水管道安裝常見閥門選擇及各閥門優缺點
- [2018-08-21]SCZ673W-10P-DN300氣動穿透式刀
- [2018-08-06]隔膜閥的原理
- [2018-08-06]Q641N-64P氣動帶定位器高壓球閥發貨及安
產品中心Products center

021-31007323
聯系我們

電動閥門,氣動閥門,調節閥,自力式閥門
電話:021-31007323